1125 Models Parts Catalog
2009
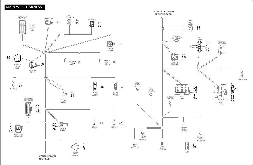
MAIN WIRE HARNESS
| Index No. | Part No. | Description | Models | Obselete |
|---|---|---|---|---|
| Y0136.2AM | MAIN WIRE HARNESS | 1125CR, 1125R | ||
| 1 | 9839 | TERMINAL (3) | 1125CR, 1125R | |
| 2 | 31522-00C | RELAY (3) | 1125CR, 1125R | |
| 3 | 72104-94BK | HOUSING, 4-way | 1125CR, 1125R | |
| 4 | 72114-94BK | CONNECTOR, 4-way | 1125CR, 1125R | |
| 5 | 72123-94GY | CONNECTOR, 3-way pin | 1125CR, 1125R | |
| 6 | 72143-94 | SECONDARY LOCK | 1125CR, 1125R | |
| 7 | 72154-94 | SECONDARY LOCK, 4-way socket | 1125CR, 1125R | |
| 8 | 72191-94 | TERMINAL (10) | 1125CR, 1125R | |
| 9 | 72194-94 | TERMINAL (3) | 1125CR, 1125R | |
| 10 | 72195-94 | SEAL PIN, 4-way receptacle (4) | 1125CR, 1125R | |
| 11 | 72462-00 | FUSE, 10-amp (5) | 1125CR, 1125R | |
| 12 | 73102-96BK | CONNECTOR, 2-pin (black) | 1125CR, 1125R | |
| 13 | 73104-96BK | CONNECTOR, 4-pin (black) | 1125CR, 1125R | |
| 14 | 73108-96BK | CONNECTOR, 8-pin | 1125CR, 1125R | |
| 15 | 73190-96 | TERMINAL (15) | 1125CR, 1125R | |
| 16 | Y0011.K | FUSE, 15-amp (3) | 1125CR, 1125R | |
| 17 | Y0021.02A8 | BOOT, instrument cluster harness | 1125CR, 1125R | Apr 2017 |
| 18 | Y0023.1AD | FUSE, 30-amp | 1125CR, 1125R | |
| 19 | Y0028.02A8 | COVER, fuse block, minifuse (2) | 1125CR, 1125R | |
| 20 | Y0054.02A8 | TERMINAL (2) | 1125CR, 1125R | |
| 21 | Y0057.1AM | SOCKET, terminal (2) | 1125CR, 1125R | |
| 22 | Y0058.1AM | SEAL | 1125CR, 1125R | |
| 23 | Y0059.1AM | SEAL (dark red) (4) | 1125CR, 1125R | |
| 24 | Y0061.1AM | CONNECTOR, 3-pin | 1125CR, 1125R | |
| 25 | Y0071.02A8 | CONNECTOR, single (black) | 1125CR, 1125R | |
| 26 | Y0072.02A8 | TERMINAL | 1125CR, 1125R | |
| 27 | Y0075.1AM | SEAL (2) | 1125CR, 1125R | |
| 28 | Y0078.1AM | CONNECTOR, 4-pin (black) | 1125CR, 1125R | |
| 29 | Y0082.1AM | TERMINAL EYE | 1125CR, 1125R | |
| 30 | Y0084.1AM | TERMINAL PLUG (3) | 1125CR, 1125R | |
| 31 | Y0091.02A8 | SOCKET, terminal (9) | 1125CR, 1125R | |
| 32 | Y0092.02A8 | TERMINAL, socket | 1125CR, 1125R | |
| 33 | Y0095.02A8 | CONNECTOR (black) | 1125CR, 1125R | |
| 34 | Y0096.02A8 | SOCKET, terminal (14) | 1125CR, 1125R | |
| 35 | Y0097.02A8 | CONNECTOR (black) | 1125CR, 1125R | |
| 36 | Y0132.02A8 | PLUG (black) (2) | 1125CR, 1125R | |
| 37 | Y0146.1AM | CONNECTOR RECEPTACLE ASSEMBLY (black) | 1125CR, 1125R | |
| 37A | Y0160.5AA | BLOCK TOP COVER, fuse/relay w/ labels | 1125CR, 1125R | |
| 38 | Y0170.5A8 | CONNECTOR, 2-way (grey) | 1125CR, 1125R | |
| 39 | Y0173.1AM | CONNECTOR, 2-pin positive lock | 1125CR, 1125R | |
| 40 | Y0175.1AM | RELAY | 1125CR, 1125R | |
| 41 | Y0176.1AM | TERMINAL, fuse block (2) | 1125CR, 1125R | |
| 42 | Y0177.1AM | TERMINAL, relay block (2) | 1125CR, 1125R | |
| 43 | Y0178.1AM | TERMINAL, relay block (7) | 1125CR, 1125R | |
| 44 | Y0181.1AM | NEGATIVE LEAD, horn | 1125CR, 1125R | |
| 45 | Y0182.1AM | POSITIVE LEAD, horn | 1125CR, 1125R | |
| 46 | Y0186.1AM | TERMINAL, front brake switch (2) | 1125CR, 1125R | |
| 47 | Y0215.1AM | TERMINAL, male (4) | 1125CR, 1125R | |
| 48 | Y0221.1AM | TERMINAL, receptacle, 16-18 gauge (17) | 1125CR, 1125R | |
| 49 | Y0223.1AM | LOCK, 4-pin (black) | 1125CR, 1125R | |
| 50 | Y0226.1AK | CONNECTOR, 2-pin (grey) | 1125CR, 1125R | |
| 51 | Y0228.1AK | SOCKET, terminal (2) | 1125CR, 1125R | |
| Y0303.2B | WIRETIE (not illustrated) (not part of wiring harness) | 1125CR, 1125R | ||
| Y0317.1AMC | CABLE ASSEMBLY, positive battery | 1125CR, 1125R | ||
| 52 | Y1200.02A8 | RELAY ASSEMBLY, w/ bracket | 1125CR, 1125R | |
| 53 | Y1201.02A8 | FUSE ASSEMBLY, w/ bracket | 1125CR, 1125R |