Firebolt Models Parts Catalog
2004
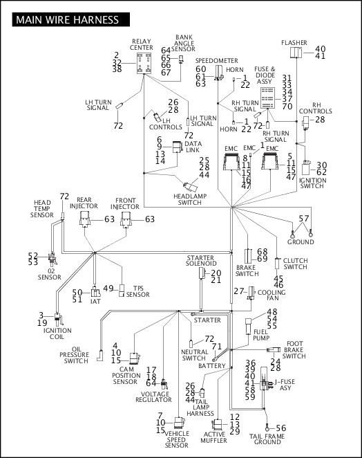
MAIN WIRE HARNESS
| Index No. | Part No. | Description | Models | Obselete |
|---|---|---|---|---|
| Y0136.1AAA | MAIN WIRE HARNESS | ALL | ||
| 1 | 9839 | TERMINAL, positive lock (3) | ALL | |
| 2 | 31522-00C | DIODE (3) | ALL | |
| 3 | 72033-93 | TERMINAL (3) | ALL | |
| 4 | 72113-94BK | CONNECTOR, sealed (black) | ALL | |
| 5 | 72119-94BK | CONNECTOR, sealed (black) | ALL | |
| 6 | 72124-94GY | CONNECTOR (gray) | ALL | |
| 7 | 72133-94GY | CONNECTOR, sealed (gray) | ALL | |
| 8 | 72139-94GY | CONNECTOR, sealed (gray) | ALL | |
| 9 | 72144-94 | SPACER | ALL | |
| 10 | 72153-94 | SOCKET LOCK (2) | ALL | |
| 11 | 72159-94 | SOCKET LOCK (2) | ALL | |
| 12 | 72163-94 | SEAL | ALL | |
| 13 | 72164-94A | SEAL, connector | ALL | |
| 14 | 72190-94 | TERMINAL | ALL | |
| 15 | 72191-94 | TERMINAL (6) | ALL | |
| 16 | 72195-94 | SEAL PIN | ALL | |
| 17 | 72234-94 | CONNECTOR ASSEMBLY, w/ seal (black) | ALL | |
| 18 | 72238-94 | TPA (black) (2) | ALL | |
| 19 | 72280-95 | CONNECTOR, sensor 3-way w/ seal | ALL | |
| 20 | 72291-94 | TERMINAL, female spade (14-16 gauge) | ALL | |
| 21 | 72295-94 | HOUSING, starter connector | ALL | |
| 22 | 72405-98BK | TERMINAL, insulated (black) | ALL | |
| 23 | 72405-98GN | INSULATED TERMINAL (green) | ALL | |
| 24 | 73102-96BK | CONNECTOR (black) | ALL | |
| 25 | 73104-96WE | CONNECTOR, amp, 4-pin (white) | ALL | |
| 26 | 73108-96BK | PIN, housing 8-way (black) (2) | ALL | |
| 27 | 73152-96BK | CONNECTOR (black) | ALL | |
| 28 | 73190-96 | TERMINAL (24) | ALL | |
| 29 | 74103-98BK | CONNECTOR, 2-pin (black) | ALL | |
| 30 | Y0724.02A8 | IGNITION SWITCH, w/ key | ALL | |
| 31 | L0073.1AA | TOP COVER, w/ label, fuse block (Prior to build date 10/15/2003) | ALL | Nov 2014 |
| Y0160.1AA | TOP COVER, w/ label, fuse block (Build date 10/15/2003 and later) | ALL | ||
| 32 | L0074.02A8 | TOP COVER, relay | ALL | |
| 33 | Y0011.K | FUSE, 15A | ALL | |
| 34 | Y0016.T | FUSE, 7.5A (Prior to build date 10/15/2003) (4) | ALL | |
| 72462-00 | FUSE, 10A (Build date 10/15/2003 and later) (5) | ALL | ||
| 35 | Y0021.02A8 | BOOT, instrument cluster harness | ALL | Apr 2017 |
| 36 | Y0023.02A8 | MAIN FUSE, 30A | ALL | |
| 37 | Y0028.02A8 | BASE COVER, fuse block | ALL | |
| 38 | Y0029.02A8 | BRACKET, fuse/relay block | ALL | |
| 39 | Y0033.02A8 | COVER, fuse holder | ALL | |
| 40 | Y0034.02A8 | FUSE HOLDER, inner (red) | ALL | |
| 41 | Y0035.02A8 | BRACKET, j-fuse | ALL | |
| 42 | Y0045.02A8 | CONNECTOR | ALL | |
| 43 | Y0046.02A8 | TERMINAL | ALL | |
| 44 | Y0049.02A8 | CLIP (2) | ALL | |
| 45 | Y0053.02A8 | CONNECTOR, 2-pin (black) | ALL | |
| 46 | Y0054.02A8 | TERMINAL (2) | ALL | |
| 47 | Y0056.02A8 | TERMINAL (14 gauge) (3) | ALL | |
| 48 | Y0060.02A8 | CONNECTOR, fuel pump | ALL | Nov 2014 |
| 49 | Y0061.02A8 | CONNECTOR, 3-pin (black) | ALL | Nov 2014 |
| 50 | Y0066.02A8 | CONNECTOR, 2-pin w/ seal (black) | ALL | |
| 51 | Y0067.02A8 | TERMINAL (2) | ALL | |
| 52 | Y0071.02A8 | CONNECTOR, single w/ seal (black) | ALL | |
| 53 | Y0072.02A8 | TERMINAL | ALL | |
| 54 | Y0076.02A8 | SECONDARY LOCK | ALL | Nov 2014 |
| 55 | Y0077.02A8 | PINS (4) | ALL | |
| 56 | Y0081.02A8 | TERMINAL, eye | ALL | |
| 57 | Y0082.02A8 | TERMINAL | ALL | |
| 58 | Y0093.02A8 | FUSE HOLDER, main (black) | ALL | |
| 59 | Y0094.02A8 | TERMINAL, pin, j-fuse holder (2) | ALL | |
| 60 | Y0095.02A8 | CONNECTOR (black) | ALL | |
| 61 | Y0096.02A8 | TERMINAL, socket (12) | ALL | |
| 62 | Y0097.02A8 | CONNECTOR, w/ seal (black) | ALL | |
| 63 | Y0119.02A8 | CONNECTOR, injector w/ seal (2) | ALL | |
| 64 | Y0129.02A8 | CONNECTOR | ALL | |
| 65 | Y0130.02A8 | TERMINAL, socket (3) | ALL | |
| 66 | Y0131.02A8 | WIRE SEAL (black) | ALL | |
| 67 | Y0132.02A8 | PLUG (black) (3) | ALL | |
| 68 | Y0133.02A8 | CONNECTOR, 2-pin (black) | ALL | |
| 69 | Y0134.02A8 | TERMINAL, socket (2) | ALL | |
| 70 | Y0211.K | FUSE & DIODE ASSEMBLY | ALL | |
| 71 | Y0317.02A8 | CABLE, positive, battery | ALL | |
| 72 | Y0357.3A | TERMINAL | ALL | May 2010 |